一、YBF2風機用防爆電機概述
YBF2系列風機用隔爆型三相異步電動機是為驅動煤礦井下非采掘工作面風機用動力設備。防爆標志為EXDI,適用于煤礦井下非采掘面具有甲烷可燃性氣體或煤礦與空氣形成爆炸性氣體環境的場所。
二、YBF2風機用防爆電機規格參數
1、電動機主體外殼防護等級為IP44或IP54,接線盒為IP54。
2、冷卻方式:IC411
3、頻 率:50Hz
4、安裝形式:IMB3
5、額定電壓:380V、660V、380/660V
6、工作方式:連續(S1)
7、安裝方式:B3、B3、B30、B35
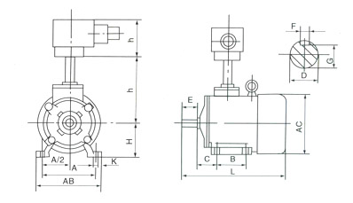
三、YBF2風機用防爆電機安裝尺寸
四、YBF2風機用防爆電機型號技術參數
五、YBF2風機用防爆電機訂貨須知
1、本樣本僅供用戶選型用,具體數據容有變動。
2、訂貨時請注明電動機型號、功率、同步轉速、額定電壓、額定頻率、調頻范圍、安裝結構型式、防爆標志、防護等級、接線盒進線方式等。
3、對電動機的調頻范圍、防護等級、軸承注排油結構有特殊要求時,須在訂貨合同上注明,無注明者均按上述有關條款的規定供貨。
4、訂貨時請注明電動機型號、功率、極數、電壓、額定頻率、變頻范圍、隔爆標志、安裝結構形式、防護等級、絕緣等級。
5、本樣本僅供用戶選型使用,具體數據容有變動對YB3系列隔爆型三相異步電動機有其它特殊要求時,請在訂貨合同中注明。
YBF2風機用防爆電機防爆合格證
YBF2風機用防爆電機煤安證
生產許可證
